FIT EARTHING
アーシング

EARTHING

INSTALL
VERSION II

earthing ver2

VERSION II 応用篇(純正ボディーアース強化)

1 トランスミッションケース 4AWG
2 - 3 ヘッドカバー 平網線 + 8AWG
4 オルタネータ 4AWG
5 - 6 オルタネーターシリンダヘッド間 4AWG

CAUTION
この資料はOFFKURO Special VerII 用です。(Wタイプ FF 2001年式)
グレードや年式等により、資料に違いがあると思われます。
利用される場合は参考程度にとどめて置き、ディーラー等で再度ご確認ください。

VERSION I を踏まえた上でエンジンアース強化を行っていきます。

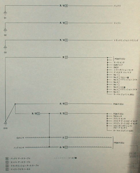
VERSION I の最重要ポイントである”エンジンワイヤーハーネス”の内容を下記に示します。
エンジン制御にダイレクトに関わっているハーネスです。

エンジンワイヤーハーネス 解説書内表記 G101 PGM-FI ECU
サーモセンサ
EGRバルブ
RACV
シフトポジションセンサ
インヒビタソレノイド
フロント側イグニッションコイル
リア側イグニッションコイル
サーマルジョイント(PG1)
TDCセンサ
クランクセンサ
ドライブプーリースピードセンサ
ドリブンプーリースピードセンサ
セカンダリ ギヤシャフトスピードセンサ
サーマルジョイント(LG1)
O2センサ
ノックセンサ

 : トランスミッションケース 

  • の箇所のトランスミッションケースから4AWGケーブルでバッテリーのマイナスターミナルへ。
トランスミッションケース トランスミッションケース
エアークリーナーBOXの真下にあります。
ボルトとハンガーステーの間に4AWGケーブルで。

2ー3 : ヘッドカバー 

  • 2−3の箇所のヘッドカバー間は平網線で、ヘッドカバーと樹脂製サージタンクの隙間を通すために熱に強い平網線を使用し、網線がヘッドカバーや樹脂製サージタンクに直接接触しないように耐熱のガラスチューブに通しています。
  • の箇所のヘッドカバーからバッテリーのマイナスターミナルへは8AWGケーブルで接続。
ヘッド

2番は一番右、3番は左から2番目。
対角になるように。

ヘッドカバーのボルト

ボルトと座金の間に。

平編線と8AWGケーブル

上段は平網線を折ってガラスチューブに通しています。

下段は8AWGケーブルを耐熱チューブに通し、さらにガラスチューブに通しています。
3の箇所に8AWGケーブルを接続していますので、取り回し上エキマニの上部近辺を通ります。かなりの熱が発せられると思われるので厳重対策を施しました。)

2の箇所からだとここまでしなくても問題ないと思われます。

端子の切り欠きは少なめに。気持ち的に接地面積が多いほうが良いです。

熱保護

 

2番目の箇所
2番目の箇所
2番の箇所のボルトと座金の間に。
3番目の箇所
3番目の箇所
3番の箇所のボルトと座金の間に。
この箇所は右側のイグニッションコイルを回転さすとやりやすいです。
この箇所には平網線と8AWGケーブルを接続し、8AWGケーブルはバッテリーのマイナスターミナルへ。

 : オルタネータ

  • の箇所のオルタネータから4AWGケーブルでバッテリーのマイナスターミナルへ。
オルタネータ オルタネータ
オルタネータ後部にケーブル固定用ステーがあるのでそのボルトとステーの間に接続。
隙間が少ないのでかなりやりにくいです。柄の短いラチェットが大活躍。

5ー6 : オルタネータ・シリンダヘッド間

  • 5ー6の箇所のオルタネータ・シリンダヘッド間を4AWGケーブルで接続。
オルタネータ
オルタネータ
オルタネータで取り付けれそうなのがこのボルトだったのでここに接続しました。
6mm径の4AWG用端子ではこの場所では接地面が大きいので、接地面を加工しました。
シリンダヘッド
シリンダヘッド
ちょうどいい場所に空きがあるのでこれを利用しました。
くれぐれもこの下にはベルトがあるので走行中のケーブルの脱落・接触には注意しましょう。
(すぐ上の純正ケーブルと共締めでも効果は一緒でした。お好きなほうを。)

以上で VERSION II 応用篇(エンジンアース強化)は終了です。

今回もECUの初期化を避けるためにアースを遮断しないで慎重に作業を進めました。

試行錯誤の繰り返しで何度となく通いつめている峠へと向かいます。(年甲斐もなく。)
アーシングのセッティングにはうってつけの場所です。
家から25分ぐらいは街中走行で峠の手前からはゆるやかな直線の上り坂が2本、2kmと1.5kmと続きます。
峠は距離は短いですが低中速域の急カーブの連続で、いっきに山頂まで駆け上がります。

インプレッションですが、0発進の最初の一踏みは以前より”クン”っと鼻先が出ます。
そのままスロットル一定状態を保ちながらの加速も向上しています。
微妙なアクセルワークにもエンジンが反応しています。
全体の印象ですが、エンジン・ミッション全体のマイルドな感じが多少きびきびしたような感じです。

が、旧お袋ロゴほどの劇的な変化(すばらしかったです。)を期待していたのですが、はっきりいって微妙です。
アーシングでは定番なサージタンクやインマニはFITの場合は樹脂製ですし、スロットルボディは樹脂製サージタンクについているのでほとんど導通がありません。
シリンダブロック・バルクヘッド間も平編線で試しましたが体感変化なし。
その他オルタネータからボディーアース、シリンダブロックなどいろいろ試しましたが気持ちの問題。

私の所見ですが、FITはご存知のとおり一気筒あたり2本で無駄なく燃焼させています。
(低中回転は2本が時間差で点火、高回転では同時点火)
ですので旧ロゴよりもはるかにノーマル状態で燃焼効率がいいはずです。
それと無断変速ミッションも体感しにくい要因かと思います。

*究極奥義のイグニッションコイルの一時側アースバッ直しかないかなあ。

下が最終アーシングポイントです。かなりの結果厳選しました。

アーシング引き回し バージョン2

VERSION II アーシングライン引き回し。

アーシング図 バージョン2

VERSION II アーシング図


アーシングうんちく。

使用プラグの種類。

  • 使用するプラグの種類によって体感度が違ってきます。

プラチナやイリジウムのように極芯の細い物よりスプリットファイア製などの極芯の太めのほうが低中回転域では効果が大きかったです。私の車ではよりいっそう体感できました。
OFFKURO Special VerII FIT ではノーマルプラグを使用しています。一本数百円の素プラグがあんがいおすすめかも。そのかわり極芯の磨耗やギャップ調整など頻繁にチェックをいれなければ・・・。)

ケーブル作成。

ケーブル

4AWG8AWG では、芯線の数で約2.5倍。

(ちなみに4AWG:0.12mm x1666本 256g/m 110A 8AWG:0.12mm x665本 93g/m 75A シース耐熱温度106℃)

ハンダ付け

ケーブルに圧着端子を付けた後、端子先端の芯線部にハンダを吸わしておく。
高温になる場所(エキマニ等)ではハンダが熱で溶けますので、その場所への施工はNGです。

(芯線の酸化防止。4AWGは根気よく。)

収縮シューブ

さらに熱収縮チューブを被せる。
こちらも高温になる場所での使用は避ける必要があります。

熱を加えると収縮して密着するので、端子とケーブルの被服の隙間からの酸化や水分の浸入を防げる。(防水の役目)

キャップ

さらに、端子部のかしめ上にキャップを被せる。
こちらも高温になる場所での使用は避ける。

(取り付けの際の工具等のあたりで、熱収縮チューブや端子の破損を防ぐ効果がある。)

バッテリーのマイナスターミナル

バッテリーターミナル

バッテリーのマイナスターミナルへの接続は、1点アースの状態。

できるだけマイナスターミナルの直近で接続。

TOP

 

BACK
HOME
NEXT